Key:IGBT module | diode module / MOS-FET | three-phase rectifier bridge

products

Contact us


Jinan Shiling Electronic Technology Co., Ltd

Address: environmental protection science and Technology Park, middle section of Zhengfeng Road, high tech Zone, Jinan City, Shandong Province

E-mail: shilingsemi@126.com

For sales consultation, please contact our agent:

Shanghai qicong Electronics Co., Ltd

Tel: 021-51760225

M/P: 13501898091 QQ:792541085

Address: room 109, building 2, 128 Shenfu Road, Xinzhuang Industrial Zone, Shanghai

H ttp://www.china-shqc.com

E-mail: strong@shqicong.com

IGBT

Location : Home  >  Products  >  IGBT
Loading...
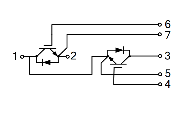
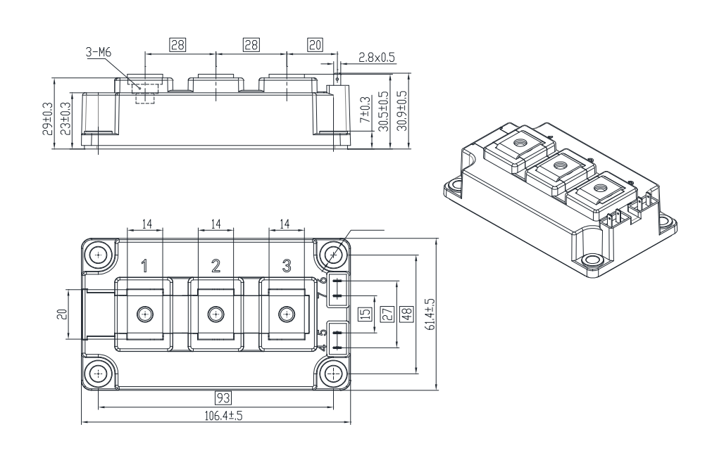
SLG150R170E6 1700V/150A
Category : IGBT
Hits : 337
Brief : 
1700V/150A/VCE(sat)=1.93V/62mm/Trench+FS/Half Bridge Module
  • Description
  • Inquiry
SLG150R170E6.pdf
电气特性 PRODUCT FEATURES:

☆1700V沟槽栅/场终止工艺
   1700V Trench+FS
☆低开关损耗
   Low Switching Loss
☆正温度系数
   Positive Temperature Coefficient

☆高短路耐量10μS
   High Short Circuit Capability

典型应用 APPLICATIONS:
☆变频器  
   Frequency Converter
☆储能逆变器
   Energy Storage Inverter

☆不间断电源UPS
   Uninterrupted Power Supply
☆高频开关电源
   High Frequency Switching Power
Supply
Product Name:     *
Name:     *
Mobile:     *
Tel:   
Fax:   
E_mail:    *
Address:   
Content:     *