Key:IGBT module | diode module / MOS-FET | three-phase rectifier bridge

products

Contact us


Jinan Shiling Electronic Technology Co., Ltd

Address: environmental protection science and Technology Park, middle section of Zhengfeng Road, high tech Zone, Jinan City, Shandong Province

E-mail: shilingsemi@126.com

For sales consultation, please contact our agent:

Shanghai qicong Electronics Co., Ltd

Tel: 021-51760225

M/P: 13501898091 QQ:792541085

Address: room 109, building 2, 128 Shenfu Road, Xinzhuang Industrial Zone, Shanghai

H ttp://www.china-shqc.com

E-mail: strong@shqicong.com

SIC-Diode

Location : Home  >  Products  >  SIC  >  SIC-Diode
Loading...
SL5D05170A 1700V/5A
Category : SIC-Diode
Hits : 258
Brief : 
SIC-Diode碳化硅二极管 
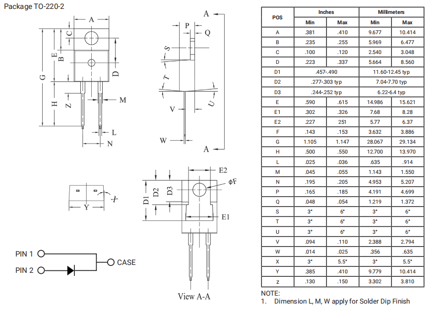
1700V/5A(160℃)/Vf=1.50V/TO-220-2L
  • Description
  • Inquiry
Features:
• 1.7kV Schottky Rectifier
• Zero Reverse Recovery Current
• High-Frequency Operation
• Temperature-Independent Switching
• Extremely Fast Switching
• Positive Temperature Coefficient on VF

Benefits:
• Replace Bipolar with Unipolar Rectifiers
• Essentially No Switching Losses
• Higher Efficiency
• Reduction of Heat Sink Requirements
• Parallel Devices Without Thermal Runaway

Applications:
• Switch Mode Power Supplies (SMPS)  
• Boost diodes in PFC or DC/DC stages
• Free Wheeling Diodes in Inverter stages
• AC/DC converters
• 1500V Solar Inverter
Product Name:     *
Name:     *
Mobile:     *
Tel:   
Fax:   
E_mail:    *
Address:   
Content:     *