Key:IGBT module | diode module / MOS-FET | three-phase rectifier bridge

products

Contact us


Jinan Shiling Electronic Technology Co., Ltd

Address: environmental protection science and Technology Park, middle section of Zhengfeng Road, high tech Zone, Jinan City, Shandong Province

E-mail: shilingsemi@126.com

For sales consultation, please contact our agent:

Shanghai qicong Electronics Co., Ltd

Tel: 021-51760225

M/P: 13501898091 QQ:792541085

Address: room 109, building 2, 128 Shenfu Road, Xinzhuang Industrial Zone, Shanghai

H ttp://www.china-shqc.com

E-mail: strong@shqicong.com

SIC-MOS

Location : Home  >  Products  >  SIC  >  SIC-MOS
Loading...
SL3M0025065K 650V/97A
Category : SIC-MOS
Hits : 195
Brief : 
SL3M0025065K 

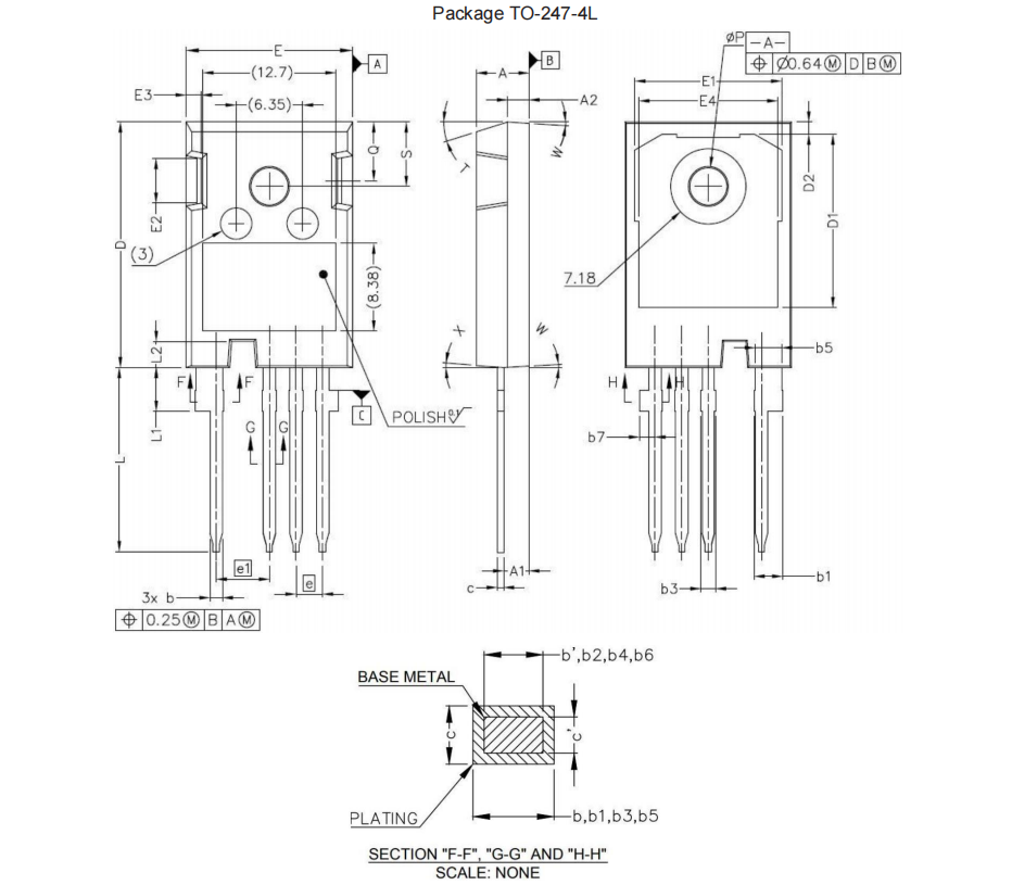
SIC碳化硅MOS 650V/97A/25mΩ/TO-247-4L
  • Description
  • Inquiry
Features:
• High Speed Switching with Low Capacitances
• High Blocking Voltage with Low RDS(on)
• Easy to Parallel and Simple to Drive
• Ultra-low Drain-gate capacitance
• Halogen Free, RoHS Compliant

Benefits:
• Higher System Efficiency
• Increased System Switching Frequency
• Reduced Cooling Requirements
• Increased System Reliability

Applications:
• Auxiliary Power Supplies
• Switch Mode Power Supplies
• High-voltage Capacitive Loads

Product Name:     *
Name:     *
Mobile:     *
Tel:   
Fax:   
E_mail:    *
Address:   
Content:     *