关键词:三相整流桥/单相整流桥/快恢复二极管模块/肖特基二极管模块/|超快恢复二极管/整流二极管

产品中心

联系方式


地址:山东省济南市高新区正丰路中段环保科技园
E-MAIL:shilingsemi@126.com

FRD快恢复二极管模块

当前位置 : 首页  >  产品中心  >  FRD快恢复二极管模块
Loading...
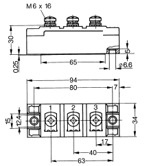
MZC150TS120S 快速软恢复二极管模块/绝缘型/桥臂
产品类别 : FRD快恢复二极管模块
点击数 : 731
产品简述 : 
MZC150TS120S 快速软恢复二极管模块/绝缘型/桥臂
1200V/150A桥臂/VF=2.3V/188ns/5K-40KHZ/

  • 产品详细
  • 产品咨询

MZC150TS120S 快速软恢复二极管模块/绝缘型/桥臂
1200V/150A桥臂/VF=2.3V/188ns/5K-40KHZ/
3mm厚度镀镍铜板,固定螺丝耐力更强;芯片平面处理工艺,抗冲击强,恢复时间短,尖峰小,低压降,低损耗,34mm国际标准尺寸,标准接口,安装使用方便。

产品名称:     *
姓名:     *
手机:     *
电话:   
传真:   
邮箱:    *
地址:   
内容:     *