关键词:三相整流桥/单相整流桥/快恢复二极管模块/肖特基二极管模块/|超快恢复二极管/整流二极管

产品中心

联系方式


地址:山东省济南市高新区正丰路中段环保科技园
E-MAIL:shilingsemi@126.com

Schottky肖特基二极管模块

当前位置 : 首页  >  产品中心  >  Schottky肖特基二极管模块
Loading...
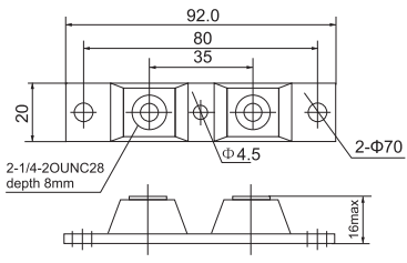
MBRP600200CT 双塔,进口芯片,标准肖特基模块
产品类别 : Schottky肖特基二极管模块
点击数 : 1180
产品简述 : 

MBRP600200CT 双塔,进口芯片,标准肖特基模块
200V/600A双塔共阴/5K-150KHZ/正向压降=0.81V/通态压降=0.67V

  • 产品详细
  • 产品咨询

MBRP600200CT 双塔,进口芯片,标准肖特基模块
200V/600A双塔共阴/5K-150KHZ/正向压降=0.81V/通态压降=0.67V

产品名称:     *
姓名:     *
手机:     *
电话:   
传真:   
邮箱:    *
地址:   
内容:     *