关键词:三相整流桥/单相整流桥/快恢复二极管模块/肖特基二极管模块/|超快恢复二极管/整流二极管

产品中心

联系方式


地址:山东省济南市高新区正丰路中段环保科技园
E-MAIL:shilingsemi@126.com

SIC碳化硅二极管

当前位置 : 首页  >  产品中心  >  SIC碳化硅二极管
Loading...
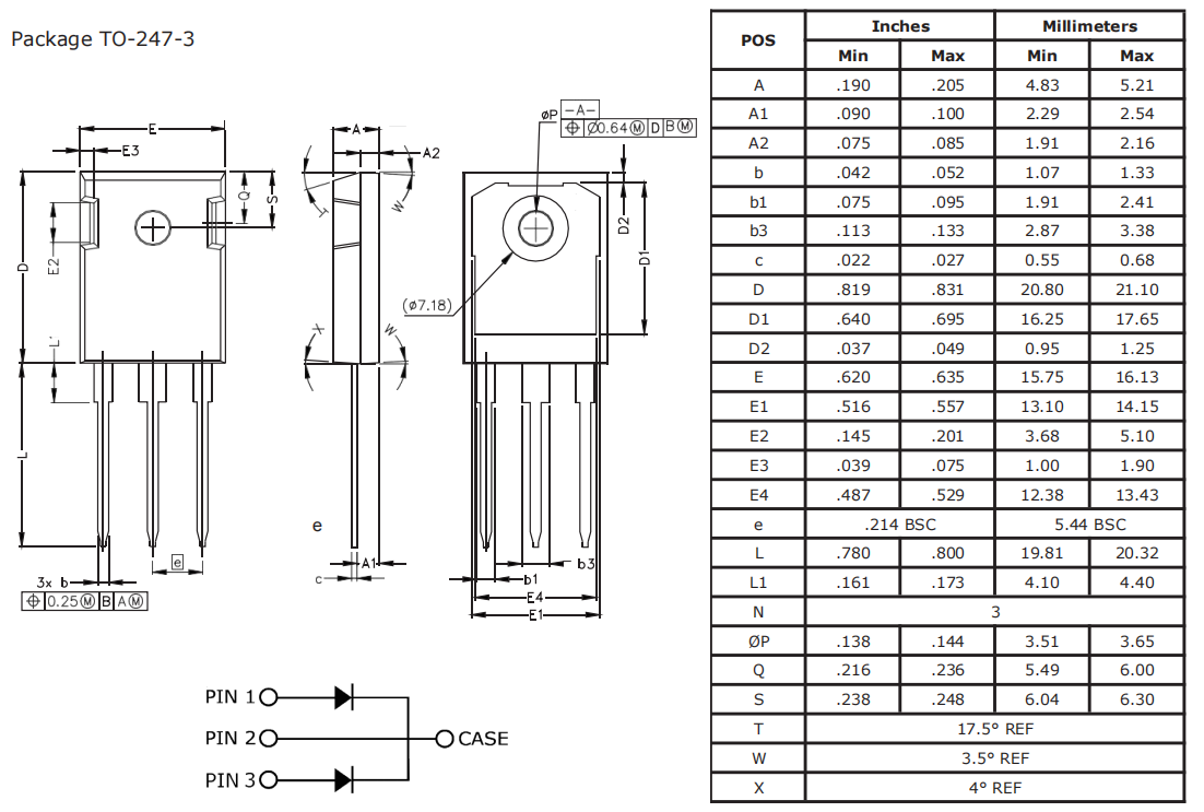
SL6D20065D 650V/2*10A
产品类别 : SIC碳化硅二极管
点击数 : 133
产品简述 : 
碳化硅二极管   650V/2*10A(155℃)/Vf=1.27V/TO-247-3L
  • 产品详细
  • 产品咨询
Features:
• 650V Schottky Rectifier
• Zero Reverse Recovery Current
• High-Frequency Operation
• Temperature-Independent Switching
• Extremely Fast Switching

Benefits:
• Replace Bipolar with Unipolar Rectifiers
• Essentially No Switching Losses
• Higher Efficiency
• Reduction of Heat Sink Requirements
• Parallel Devices Without Thermal Runaway

Applications:
• Switch Mode Power Supplies (SMPS)  
• Boost diodes in PFC or DC/DC stages
• Free Wheeling Diodes in Inverter stages
• AC/DC converters
产品名称:     *
姓名:     *
手机:     *
电话:   
传真:   
邮箱:    *
地址:   
内容:     *