关键词:三相整流桥/单相整流桥/快恢复二极管模块/肖特基二极管模块/|超快恢复二极管/整流二极管

产品中心

联系方式


地址:山东省济南市高新区正丰路中段环保科技园
E-MAIL:shilingsemi@126.com

SIC碳化硅MOS管

当前位置 : 首页  >  产品中心  >  SIC碳化硅MOS管
Loading...
SL3M0016120K 1200V/115A
产品类别 : SIC碳化硅MOS管
点击数 : 131
产品简述 : 
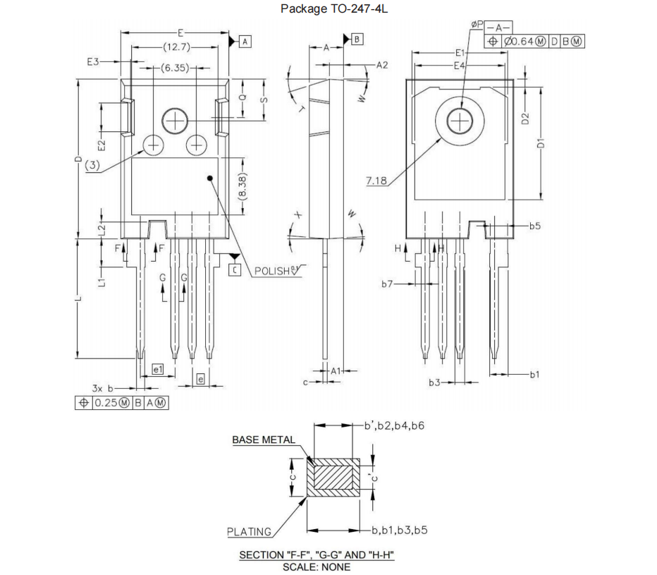
SL3M0016120K  碳化硅MOS 1200V/115A/16mΩ/TO-247-4L
  • 产品详细
  • 产品咨询
Features:
• High Speed Switching with Low Capacitances
• High Blocking Voltage with Low RDS(on)
• Easy to Parallel and Simple to Drive
• Ultra-low Drain-gate capacitance
• Halogen Free, RoHS Compliant

Benefits:
• Higher System Efficiency
• Increased System Switching Frequency
• Reduced Cooling Requirements
• Increased System Reliability

Applications:
• Auxiliary Power Supplies
• Switch Mode Power Supplies
• High-voltage Capacitive Loads

产品名称:     *
姓名:     *
手机:     *
电话:   
传真:   
邮箱:    *
地址:   
内容:     *