关键词:三相整流桥/单相整流桥/快恢复二极管模块/肖特基二极管模块/|超快恢复二极管/整流二极管

产品中心

联系方式


地址:山东省济南市高新区正丰路中段环保科技园
E-MAIL:shilingsemi@126.com

IGBT模块

当前位置 : 首页  >  产品中心  >  IGBT模块
Loading...
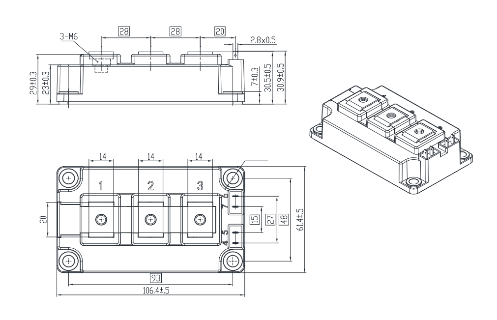
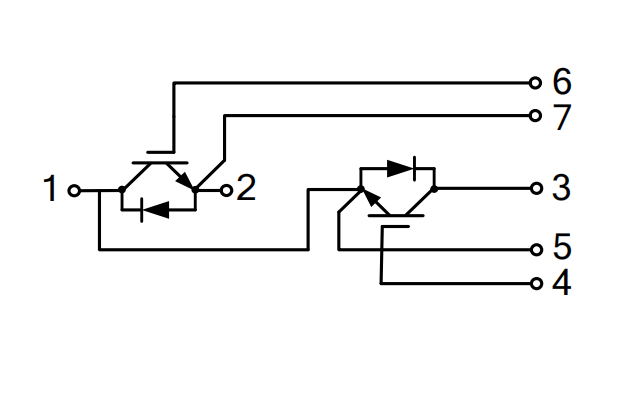
SLG150R170E6
产品类别 : IGBT模块
点击数 : 271
产品简述 : 
1700V/150A/VCE(sat)=1.93V/62mm/Trench+FS/Half Bridge Module
  • 产品详细
  • 产品咨询
电气特性 PRODUCT FEATURES:
☆1700V沟槽栅/场终止工艺
   1700V Trench+FS
☆低开关损耗
   Low Switching Loss
☆正温度系数
   Positive Temperature Coefficient

☆高短路耐量10μS
   High Short Circuit Capability

典型应用 APPLICATIONS:
☆变频器  
   Frequency Converter
☆储能逆变器
   Energy Storage Inverter

☆不间断电源UPS
   Uninterrupted Power Supply
☆高频开关电源
   High Frequency Switching Power
Supply
产品名称:     *
姓名:     *
手机:     *
电话:   
传真:   
邮箱:    *
地址:   
内容:     *