关键词:三相整流桥/单相整流桥/快恢复二极管模块/肖特基二极管模块/|超快恢复二极管/整流二极管

产品中心

联系方式


地址:山东省济南市高新区正丰路中段环保科技园
E-MAIL:shilingsemi@126.com

IGBT单管

当前位置 : 首页  >  产品中心  >  IGBT单管
Loading...
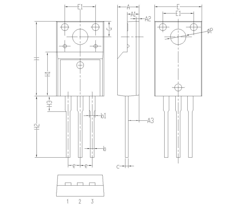
SLG15N65S1F
产品类别 : IGBT单管
点击数 : 235
产品简述 : 
650V 15A VCE(sat)=1.95V 平面工艺(快速)IGBT
Silicon Field Stop(FS) Planar IGBT
  • 产品详细
  • 产品咨询
电气特性 PRODUCT FEATURES:
☆650V IGBT平面工艺(快速)
   650V Silicon Field Stop(FS) Planar IGBT
☆低开关损耗
   Low Switching Loss
☆正温度系数
   Positive Temperature Coefficient

☆高短路耐量10μS
   High Short Circuit Capability

典型应用 APPLICATIONS:
☆电焊机
   Electric Welding Machine

☆变频器  
   Frequency Converter
☆不间断电源UPS
   Uninterrupted Power Supply
☆高频开关电源
   High Frequency Switching Power
Supply
产品名称:     *
姓名:     *
手机:     *
电话:   
传真:   
邮箱:    *
地址:   
内容:     *